
1.确定参考电位点很重要
最近有同学咨询后台的模拟模块,现场反映的S7-300模拟模块读数没有变化,如何让读数为32767。虽然大家都很熟悉模拟模块,但是用户经常会对类似的问题做出反应。为此,边肖特意咨询了老师,老师总结了自己的经验。
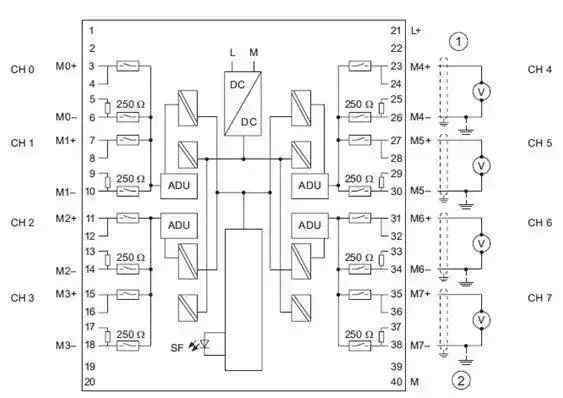
至于值不能读出的问题,如果32767没有变化,实际值已经存在,但是超出范围。如果数值为0,需要注意模拟量是否有问题,万用表测得的现场信号没有超限。为什么会出现这两种现象?这是因为选择的参考电位不同。举个例子,如果场传来的信号是5V,先问一下,参考点是什么?10~15是5V,-10~ -5也是5V。如果测量端的参考点是0V,那么在测量中就会出现问题,所以需要保证两端等电位。模拟模块的参考电位点是MANA,所有接线都与之相关。
2.一系列孤立和非孤立的问题
这里的隔离是指模拟模块的参考电位点MANA与地(也是PLC的数据地)隔离。隔离模块MANA可以不接地M,MANA可以作为测量端的参考电位。非隔离模块MANA必须连接到地M,使地M成为测量端子的参考电位MANA。隔离模块的优点是可以避免共模干扰。如何知道一个模块是否是隔离模块,比如SM331模块,可以从模板规范中找到。S7-300中只有一个sm 334(sm 355除外)模块是非隔离的,CPU31XC集成的模拟量也是非隔离的。共同的特点是模块的输出和输入共用M端。
同样,传感器也有隔离和非隔离的问题。通常,非隔离传感器电源的负端和信号的负端共用一个端子。例如,传感器有三个端子L、M和S+,为传感器供电。S+,M是信号的输出,共用M端。最好参考手册判断传感器是否隔离。隔离传感器的负信号端可以不与地m连接,负信号端可以用作信号源端的参考电位。非隔离传感器信号的负端必须在源端(设备端)接地,源端的接地应作为信号的参考电位。
以下是如何保证测量端和信号源端的等电位连接。下面建议的连接图中使用的缩写和助记符具有以下含义:
M+:测量线(正极)
M-:测量线(负极)
MANA:模拟模块的参考电位点
这里要注意的是MANA,它在不同的连接方式下都是作为参考电位的。
m:接地端子
L+:24vdc电源端子
UCM:mana和模拟输入通道之间或模拟输入通道之间的电位差
UCM共模电压有两种:
1)不同输入信号的负端之间的电位差,例如一个输入信号为3V,另一个输入信号为3V,但它们的参考电位可能不同,可能是1~4V,也可能是3~6V,所以它们之间的共模电压为2V。
2)输入信号负端与MANA之间的电位差。
模块的UCM是模拟值超过上限的主要原因。不同模块的UCM最大值不同。
Uiso:法力与CPU端的电位差
3.使用隔离模拟模块连接隔离传感器
隔离传感器和隔离模拟信号的连接图如图1所示:

图1将隔离传感器连接到隔离模拟输入模块
方法最简单,与地面隔离,不需要接地。然而,如果输入信号(传感器)的负端和MANA之间的电压超过UCM的最大限值,例如,SM331(6ES7331-7KF02-0AB0)为2.5伏直流电,则有必要将信号的负端和MANA短路,否则会出现超过上限的问题。现场检查发现,超出上限的问题几乎都是信号负端和MANA没有联系。如果UISO超过极限,比如75V DC,需要连接负信号端,MANA端,接地端M,此时模块以接地端M为参考电位,实际变成非隔离使用,很少见。
有些模块通道组是隔离的,没有MANA,例如模块6ES7331-7NF10-0AB0,接线如图2所示:

此时每个通道组(每组2个通道)的M-为MANA,输入通道组之间的最大UCM为75VDC。
在隔离的情况下,负极信号端子和MANA端子连接即可(双线制和电阻测量除外)。手册中每个模块的接线图建议MANA接地。我觉得这是在接地好,没有共模电压的情况下(比如单端接地)。
4.使用非隔离模拟模块连接隔离传感器
这一次我讲的是隔离传感器与非隔离模拟模块连接的情况。模块的MANA没有与地M隔离,需要将MANA与地M连接,模拟的参考点电位变成地M,典型接线如图3所示。

非隔离模块需要MANA和地M连接,比如模块SM334(6ES7334-0CE01-0AA0),必须在提示中连接。以下是参考手册的提示部分。

5.使用隔离模拟模块连接非隔离传感器
如果传感器未隔离,信号源端将传感器的本地接地作为参考点电位。模块隔离,MANA点作为测量参考电位。典型的接线如图4所示。

从图4可以看出,非隔离传感器信号的负端在源端接地,但是如果多个非隔离传感器连接分布在不同的地方(不同的接地点),这种情况就比较麻烦。每个传感器信号的负端将具有共模电压UCM。为了消除UCM效应,每个传感器信号的负端将通过短而粗的导线等电势地连接到源端。因为模块的MANA和信号源端的地之间可能存在电位差,所以MANA应该和信号源端的地等电势连接。你不能在这里的模块短路,否则你不能消除UCM。
如果工厂接地不好,最好使用隔离传感器。
6.使用非隔离模拟模块连接非隔离传感器
如果使用非隔离模拟量连接非隔离传感器,所有点必须接地,并进行等电位处理。典型的接线如图5所示。

从图5可以看出,根据隔离和非隔离的要求,模块是不隔离的,MANA必须接地m,如果传感器不是隔离的,需要将信号的负端接到本地地。这样,模块的地m被用作参考点。为了消除它们之间的电位差(共模电压UCM),有必要使用足够厚的导线进行等电位连接。
如果全厂都有等电位接地网,使用非隔离的仪器和模块相对简单,只需要将MANA连接到局部接地M,因为每个点都有等电位。往往事与愿违。因为非隔离仪器价格便宜,用这种仪器的地方越多,地面通常打得不好,更别说接地网和等电位连接了。如果不采取措施,肯定是有问题的,必须保证等电位。万用表可用于测量,因为万用表与地面隔离,最大共模电压UCM可能不同,这与模块的条件不同。建议使用隔离传感器和模块。
讲了一系列的连接方式,最后得出的结论是:模拟连接的几种方式都集中在一个点上,即信号源端和测量端必须等电位。

在这一点上,我们应该扩展它。利用这个原理也可以解决数字布线的问题。以下是现场遇到的一个问题。如图6所示,CPU和I/O的电源是分开的。输入/输出是一个非隔离模块。当现场给出信号时,输入输出模块的输入灯不亮,无法在中央处理器中读出。用万用表测量时,端子上有24V电压。模块没有问题,两个电源PS的M端短路就能检测到输入信号,这也是参考点电位不同造成的。希望一点提示可以帮助你解决现场模拟接线的问题。
1.《模拟量输入模块 一文搞定PLC模拟量接线那些事儿》援引自互联网,旨在传递更多网络信息知识,仅代表作者本人观点,与本网站无关,侵删请联系页脚下方联系方式。
2.《模拟量输入模块 一文搞定PLC模拟量接线那些事儿》仅供读者参考,本网站未对该内容进行证实,对其原创性、真实性、完整性、及时性不作任何保证。
3.文章转载时请保留本站内容来源地址,https://www.lu-xu.com/yule/1071681.html
