指纹门锁作为一种高科技产品,其安装直接影响到门锁的正常运行和使用寿命。建议您聘请有相当经验的锁具安装师傅,根据产品附件中门板开启图的模板打孔,凿出支撑窝、锁板、锁箱孔;确保钻孔准确,然后严格遵循产品手册中的步骤。如果安装后发现锁开关不灵活或无法打开,请及时联系当地经销商或我公司售后服务部门,以便快速解决问题。这里提供的说明供您参考。
1指纹锁介绍
1.1产品特性

1.1.1产品介绍
特点:304不锈钢,外观精美,结构合理,指纹锁安全可靠。
适用范围:室内木门、室内铁门。
1.1.2产品功能介绍
采用国际先进的生物技术,确保质量可靠;使用4节AA电池;手柄可以防止暴力伤害;
同时,它还有开门方法:
1.指纹,开门。2.刷卡开门。3.用钥匙开门。
其中刷卡开门可以用酒店管理系统的版本来做,适合租房,酒店公寓等等。它可以管理时间,通过指纹开门。
本节使用的卡都是T5557加密卡,安全可靠。
1.2尺寸

1.3技术参数
序列号
项目
技术参数
一个
传感器分辨率
明亮的背景,500dpi
2
传感器的抗损伤能力
4H铅笔1000次连续冲击20厘米不会损坏
三
开始时间
& lt1秒
四
比较模式
1:N
五
真实拒绝率
小于或等于百分之一(≤1%)
六
错误识别率
小于或等于百万分之一(≤0.0001%)
七
手指使用角度
360
八
指纹注册模块
一次生成一个指纹模块
九
指纹更新模式
自动更新
10
指纹信息
当电池断电并更换时,指纹信息不会丢失
11
指纹容量
100件
12
光干涉
避免阳光直射
13
收集器
硬质玻璃;表面纳米化处理;超耐磨
14
静态功耗
小于30微安
15
动态功耗
工作电流小于200毫安
16
控制系统
双核双回路独立控制
17
指纹组的电池寿命
开门5000次
18
密码套件的电池寿命
开门6000次
19
工作电压
直流6V
20
电源模式
电池供电的
21
低压警报
4.8伏
22
抗静电
接触放电8KV,空气体放电15KV
23
工作温度
-10°c至55°c
24
工作湿度
10%-90%
25
贮藏温度
-20℃至7 0℃
26
打开方向
向左打开,向右打开
(注:公司注重技术更新,参数变更后不再另行通知)
2操作和使用
2.1放置手指的方式
注意:请熟悉正确的手指放置位置
将手指放在指纹采集窗口上,用力适中,尽量平放。指纹中心包含图像的大部分信息。下图比较了放置手指的正确和错误方法:

2.2操作说明:
打开模式:
1.用指纹开门:将手指按在指纹识别器上,音乐就会响起来开门。保存100个指纹。
2.用感应卡开门:拿着感应卡靠近感应区,音乐响起时开门。存100张开门卡。
3.用机械钥匙开门。
指纹门锁说明:
1.锁初始化:连续5次按下电路板上的贴片按钮开关,听到2次长时间的“滴滴……滴滴”声,伴有闪烁的蓝光。
2.配置管理卡:初始化后,在闪烁蓝光期间(7-10秒),卡靠近感应区,听到长短“滴…滴”声,管理卡配置成功。
3:配置和管理指纹:刷管理卡,听到“滴滴”音长短,驱动电机,将手指放在指纹识别器上,直到听到“滴滴”音短再听到“滴答”音长,管理指纹配置成功;或者在门锁初始化,蓝光闪烁(7-10秒)后,将手指放在指纹识别器上,直到听到一声短促的“滴答”,再听到一声悠长的“滴答”,成功管理指纹配置。
4.添加开门卡:刷管理卡(或读取管理指纹),听到“滴滴”2声短响,驱动电机,握住待添加的开门卡靠近感应区,听到“滴滴”1声长响,卡添加成功。可持续增长。
5.增加开门指纹:刷管理卡(或读取管理指纹),听到“滴滴”的2个短音,驱动电机,将待添加的手指放入指纹读取器,直到听到“滴滴……滴滴”的1个短音和1个长音,指纹增加成功。可持续增长。
6.删除卡和指纹:连续读取管理卡后,删除所有开门卡和所有指纹(包括管理指纹),管理卡仍然有效。或者初始化门锁。
2.3警告
音乐——刷开门卡或按指纹OK,电机驱动开门。
“滴滴……滴滴”快速三下——低电压提示,电池电压低,请更换电池。
“滴滴,滴滴,滴滴”连续响了5次——无效卡,拒绝开门。
“滴,滴,滴”嘟嘟响1次,然后4次——无效指纹,拒绝开门。
“滴水...“滴,滴,滴”听起来1次,然后6次——没有指纹被读取。
2.4安装/更换电池
2.4.1安装电池
向上滑动并取下电池盖,安装4节AA 1.5V电池,然后向下滑动电池盖。
2.4.2电池更换时间
指纹门锁电池电量低时,每次开门都会提示“滴滴……滴滴”。
A.使用错误的电池会导致爆炸。
b请只使用碳锌或碱性二氧化锰电池,请使用品牌电池。
C.请遵守当地的环保法律和标准来处理废旧电池。
如果处理不当,电池可能会爆炸。不要充电、拆卸电池或将电池扔进火中。
E.务必按照说明操作电池。
F.按照标牌指示的方向正确安装电池的正极或负极。
G.将电池远离儿童和宠物。
H.如果锁长时间不用,请取出电池。
一、新旧电池不能混用。
J.如果皮肤或衣服被电池泄漏的溶液弄脏,立即用水清洗。如果眼睛接触到碱液,请立即用水冲洗,然后就医。
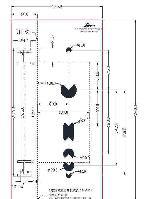
3安装步骤图
3.1门板开启图
本产品可用于室内木门和铁门。根据客户的情况,配置的锁和螺钉的规格是不同的。图1

3.2安装步骤
指纹门锁安装前,请连接好所有连接线,安装好电池,按下门锁电路板上的初始化按钮5进行初始化,然后一定要配置一个管理卡,管理指纹。然后安装
如图1所示打开孔后,将锁体安装在门上锁芯的孔中。用2个FA4*25沉头螺钉固定锁芯。握住机械锁头,使钥匙孔朝向门,安装在锁芯孔处,用FM5*65螺丝固定。之后用钥匙开门检查是否正常。参见(图3)。检查后锁体手柄弹簧是否脱落,将手柄方轴放入锁芯内。如图所示,前锁体的2P线与后锁体的2P线相连,用两个FM5*40的机器螺丝固定。安装电池,扣上电池盖,拧紧电池盖螺丝

图3

图4
4锁的维护和保养
4.1日常维护和保养
1.锁定面严禁接触腐蚀性物质,以免损伤锁定面保护层,影响锁定面光泽度。
2.拉手是开关门锁的关键部位,其灵活度直接影响门锁的使用,所以不要在拉手上挂物件。
3.如果门变形,组合斜舌进入门框盒的摩擦力过大,无法完全伸出。此时,应调整门扣板的位置。
4.指纹门锁的指纹采集窗长期使用后,表面会变脏,可能会影响正常使用。此时,可以用软布擦去污垢。
5.在发出电池电量不足的报警后,请立即更换电池,以确保门锁的正常使用。
6.更换电池时,请注意电池的正负极。
7、机械钥匙必须妥善保管。
8.禁止用坚硬尖锐的物体划伤指纹采集窗口表面。
9.禁止用指甲划伤指纹识别器。
10.指纹识别窗口表面潮湿。请用干软布清洁标识符的表面。
11.每次采集指纹时,手指的指纹部分都会附加到指纹识别器上。
12.如果锁转动不灵活或不能保持正确位置,应请专业人员给锁芯加注机械润滑油。
13.锁体传动部分要经常保持润滑,以保持其传动平稳,延长使用寿命。建议每半年或一年检查一次,检查紧固螺钉是否松动,确保紧固。
14.在锁头使用过程中,可定期(每六个月或一年)或在钥匙不能顺利插拔时,将小许石墨粉或铅笔粉涂抹在锁芯槽内,以保证钥匙的顺利插拔。但严禁添加任何其他油类进行润滑,以免油脂粘在销簧上,造成锁头无法转动和开启。
4.2使用说明
4.2.1将手指按在门锁的指纹采集窗口进行识别。如果没有存储指纹,系统会提示“指纹验证失败”,您无法开门:
A.指纹可能是非法的,排除方法:使用有效的指纹;或者用密码和机械钥匙代替。
B.指纹已注销,排除方法:使用有效指纹;或者用密码和机械钥匙代替。
C.配准指纹的方法不对,消除方法:将手指再次按在指纹采集窗口上,使手指贴在指纹采集窗口上,尽可能将手指放在指纹采集窗口的中心;
D.手指严重脱皮受伤,造成指纹损伤。淘汰法:每只手要配准两个手指;
E.手湿、出汗、灰尘、手脏或手指有色的护肤品。排除法:用纸巾擦拭需要输入指纹的手指,再将手指按在指纹采集窗口,正常开门;
F.采集指纹时用力过轻,大部分手指都没有碰到指纹采集窗口。排除方法:再次在指纹采集窗口上正确按压手指,正常开门。
G.阳光直射会影响指纹成像。排除方法:用任何不透明物体(或手)遮住强光后,正常开门。
H.手太冷了。解决方法:暖手,再试一次。
一、手太干。排除方法:保湿后,可以正常开门。
4.2.2指纹检查成功,绿灯亮后门未打开:
A.安装问题。排除方法:正确安装。
B.有电机转动的声音,门打不开。淘汰方法:1。句柄不返回。2.手柄的方轴短。3.后面板手柄内弹簧脱落。
4.2.3不能用机械钥匙开门:
A.机械钥匙不正确。排除方法:使用正确的机械键。
B.锁坏了。排除法:用其他方法打开门锁,更换锁头。
C.锁芯损坏。排除方法:用其他方法开锁,更换锁芯内损坏的零件。
离合器零件机械故障。排除方法:用同样的方法打开车门,更换损坏的零件。
4.2.4手柄的主锁舌在转动前不能完全插入,导致以下原因:
A.锁芯本身的传动是不灵活的。
B.锁芯内的加油部位有大量灰尘,也会导致传动不灵活。
C.锁芯安装在门上,配套的天地杆安装不当。
d、安装后锁体时,各连接器放置不当,无法托住锁芯挂钩。
4.2.5门锁常开常闭,导致以下原因:
A.离合器部件出现故障(如离合器中过多的润滑油流入电机,导致电机无法正常旋转)。
B.1 .手柄的方轴长度不合适。2.后面板手柄内弹簧脱落。
4.2.6输入的有效指纹状态正常,电机不工作。原因如下:
A.安装过程中,连接线没有正确连接。
B.电机故障。
4.2.7电机转动正常,前手柄空转动。原因如下:
A.手柄不返回。
B.1 .手柄的方轴长度不合适。2.后面板手柄内弹簧脱落。
4.2.8安装电池时没有响应。原因如下:
A.后锁面和前锁面的数据线连接不好。
B.在安装过程中,将电线拔下。
5售后服务
5.1免费安装政策
5.1.1凡购买我司指纹锁的用户,均可享受我司提供的一次性免费上门安装服务。必须由我公司指定的服务网络安装人员安装
5.1.2协商收费项目:
(一)三包期满后;
(2).由特殊材料制成的门洞;
(3)锁被拆除、移位或重新安装;
(四)其他不符合免费安装条件的,应当收费安装。
5.2免费保修政策
5.2.1凡购买我司指纹门锁的,均可享受我司提供的“免费锁保修3年”服务,保修日期自锁验收完成之日起计算。
5.2.2保修期内,出现下列情况,不在保修范围内,并收取维修费用。
(1)超出保修期或通过非正式渠道购买的产品;
(2)因用户使用不当、自行拆卸、人为损坏或不可抗力等意外因素造成的损坏;
(3)在非指定维修点维修的门锁;
(4)无《保修卡》且未办理保修手续的;
(5)保修卡上的锁型号与修过的锁信号不一致。
5.2.3指纹门锁保修登记程序:
(2)保修卡是在保修期内获得免费服务的必要凭证,请妥善保管。
5.2.3终身维护,一年后的维护按成本收费。
5.3产品退货政策
参照国家有关部委《部分商品修理、更换、退货责任规定》。
5.4服务指南
5.4.1注意事项:
(1)请注意检查手册中的保修卡是否齐全。否则,请联系销售单位更换,让您享受我们公司提供的服务;
(2)所有购买我们产品的用户都可以享受我们公司提供的“三包”服务。如因本公司未指定的承包技术服务单位(以下简称服务网点)维修而导致故障,本公司仅提供合理的收费服务。
有关指纹锁的更多信息,请拨打18818684655联系制造商
1.《指纹门锁 指纹门锁说明书》援引自互联网,旨在传递更多网络信息知识,仅代表作者本人观点,与本网站无关,侵删请联系页脚下方联系方式。
2.《指纹门锁 指纹门锁说明书》仅供读者参考,本网站未对该内容进行证实,对其原创性、真实性、完整性、及时性不作任何保证。
3.文章转载时请保留本站内容来源地址,https://www.lu-xu.com/tiyu/798740.html




