单稳态触发器一般用于数字电路中,用于定时、整形、延时。
1.555集成定时器
常用的555定时器有TTL定时器5G555和CMOS定时器CC7555。
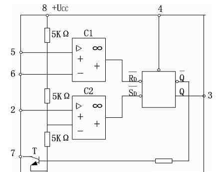
555集成定时器是模拟电路和数字电路相结合的中型集成电路,其电路如下图所示。

555定时器包含两个电压比较器C1和C2,一个由与非门组成的基本rs触发器,一个放电晶体管T和一个由三个5ω电阻组成的分压器。比较器C1的参考电压被施加到同相输入端;C2的参考电压施加到反相输入端。两者都是从分压器获得的。
每个外部引线端子的功能是:
1是接地端子。2是低电平启动端子,触发脉冲从该端子输入。当两端输入电压高于1/3UCC时,C2输出为“1”;当输入电压低于1/3UCC时,C2输出为“0”,使基本RS触发器设为“1”。
6是高电平触发端子,从该端子输入触发脉冲。当输入电压低于2/3UCC时,C1输出为“1”;当输入电压高于2/3UCC时,C1输出为“0”,使触发器置“0”。
4是复位端子,从该端子输入负脉冲,以直接复位触发器。
5是电压控制端子,在该端子上可以施加电压以改变比较器的参考电压。不使用时,通过一个0.0.1uF的电容连接到“地”,以防止引入干扰。
7是放电端子。当触发器的Q端为“1”时,放电晶体管T导通,外部电容元件通过T放电..
3为输出端,输出电流可达200毫安,可直接驱动继电器、LED、扬声器、指示灯。输出高电压低于电源电压ucc1-3v。
8是电源端子,可以在5-18V范围内使用。
2.由555个定时器组成的单稳态触发器
下图是由555个定时器组成的单稳态触发器。r和c是外部元件,触发脉冲从两个端子输入。
工作原理:触发脉冲未输入时,u1为“1”,其值大于
1/3,所以比较器C2的输出为“1”。稳态触发状态:
如果q = 0,q = 1,晶体管t饱和导通,uc=UCE远低于2/3Ucc,那么比较器C1的输出也是“1”,触发器的状态保持不变。
如果q = 1,q = 0,晶体管关断,Ucc通过r给电容c充电,当uc上升略高于2/3Ucc时,比较器C1的输出为“0”,触发器设置为“0”,变为q = 0,q = 1。
可见稳态时Q=0,即输出电压u0为“0”。
在t1时刻,输入一个触发电压脉冲,其幅度低于1/3Ucc,因此C2的输出为“0”,触发器设置为“1”,u0从“0”变为“1”,电路进入瞬态。此时,因为q = 0,晶体管关断,电源对电容器C充电..虽然触发脉冲在t2消失,C2的输出变为“1”,但充电一直持续到uc上升到略高于2/3Ucc,C1的输出变为“0”,从而触发自动翻转到Q = 0和Q = 1的稳定状态。此后,电容器c迅速放电。
输出是一个矩形脉冲,其宽度
tp=RCln3=1.1RC
结论:
1)通过改变RC值,可以改变脉冲宽度,从而可以进行时序控制。

2)输入脉冲波形往往不规则,边沿不陡,幅度不均匀,不能直接输入数字器件,需要单稳态触发或其他触发整形。

﹌﹌﹌﹌﹌﹌﹌﹌﹌﹌﹌﹌﹌﹌﹌﹌﹌﹌﹌﹌﹌﹌﹌﹌﹌﹌﹌﹌﹌﹌﹌﹌﹌﹌﹌﹌﹌﹌﹌﹌﹌﹌﹌﹌﹌﹌﹌﹌﹌﹌﹌﹌
声明:内容是从互联网上组织的,版权归原作者所有。如果涉及到作品的版权问题,请及时联系我们,谢谢!
你和丹尼尔工程师有什么区别?
加入技术交流小组,与专家面对面交流
向组中添加爱好者助手
1.《单稳态触发器 原来单稳态触发器还可以这么构成!涨知识了》援引自互联网,旨在传递更多网络信息知识,仅代表作者本人观点,与本网站无关,侵删请联系页脚下方联系方式。
2.《单稳态触发器 原来单稳态触发器还可以这么构成!涨知识了》仅供读者参考,本网站未对该内容进行证实,对其原创性、真实性、完整性、及时性不作任何保证。
3.文章转载时请保留本站内容来源地址,https://www.lu-xu.com/shehui/1733852.html