虽然电路识别有些困难,但还是有规律可循。电路识别包括两个部分:电路图简化和电路图与物理图的相互转换。
今天,我们介绍一种简化电路图的方法,叫做标号法。这种方法易学、易练、好记,适用于所有电路。它是家庭旅行的杀手,尤其是简化电路。
1.标签:电路每个节点的编号,遵循以下原则
从正极标记1
用导线连接的节点标有相同的数字
沿电线传递一个电器,数量为+1
直到遇到电源负极
要求所有点的标号应大于等于1且小于等于负极的标号
2.画画
在平面上画出节点号
根据原始图纸,在节点之间画出电器或电表
修饰和美化
3.预防措施
当电器两端的标签不相等时,电流从小标签点流向大标签点,因为小标签更靠近正极
当电器两端的标签相等时,相当于一根电线连接在电器的两端,所以电器的短路没有电流。
如图,这个问题太典型了,估计每个老师都要讲。答案估计大家都知道。同学A说这是串联;同学B说,不行!R1应该短路了。看不到上面的“天线”吗?这时老师跳出来说你们都错了,其实是标准的并联电路。倒~,真的很难理解。很多同学老师都讲过一次,但还是想不通为什么,最后得出结论。现在轮到我们给大法贴标签了。为了便于解释,先用字母标出每个点

首先是标签,我们的标签是用红色数字表示的。A点从电源正极出来,一根线上的B点和D点也标有1;检查标记为1的都已标记,然后通过一个电阻!例如从点b到点c,使得点c被标记为2。同一根导线上的e、F、G点标有2,我们惊讶地发现它们已经到了电源的负极!标签结束!轻松~

进入第二个绘制阶段,首先绘制节点编号1和2,其中一个节点连接正电源,另一个节点连接负电源,如下图所示。

然后在原图中找到每个电阻两端的节点标签,放在简化图中对应的标签之间。我们可以看到,R1,R2,R3都在点1和点2之间,那么把它们三个依次连接在点1和点2之间,就形成了右图中非常纯的并联电路,对吗?

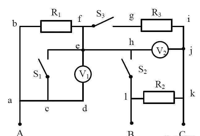
例2:简化3个电路图。电源正极接a,负极接c,只有S2闭合;只有S3是关闭的;电源正极接A,负极接B,只有S2断开

问题1
A.标记:当a指出时,a、b、c和d都用1标记,S1断开,所以e和f点不能用1标记;通过R1后,E、F、H标2,S2关闭,所以L也标2;在R2上空,I、j和k标有3。有同学问,G能过R3和马克4吗?这是不允许的。见第五个公式,G点的标号不能大于I,G点后面的S3断开,使得电流无处流动。所以正确答案是R3没有接电路。标注结果参见上图

B.画图,先画三个节点;

找到每个电器的位置,R1和V1在1和2之间,R2和V2在2和3之间,然后安装它。R3的g点没有标签,所以没有接入电路

问题2
A.标签,标签1,该节点与原节点相同;因为S3是封闭的,G点是封闭的,L点因为S2是断开的,所以无法标注;3节点标记与以前相同

B.画画:你可以看到R2不在照片里

问题3
A.mark,a点为正,S1和S3闭合,所以a,b,c,d,e,f,g,h都标为1,R3标为I,j,k,j,k为2;在R2之后,l标记为3,b点为负,停止标记

B.图纸,R1和V1两端均为1,表示短路,无接入电路;R3和V2连接在1和2之间;R2连接在2和3之间

如果遇到电流表,可以把它想象成一根线,然后放在简化图中。
1.《物理电路图 【初中物理】特级教师详解电路图识别(简单易懂)》援引自互联网,旨在传递更多网络信息知识,仅代表作者本人观点,与本网站无关,侵删请联系页脚下方联系方式。
2.《物理电路图 【初中物理】特级教师详解电路图识别(简单易懂)》仅供读者参考,本网站未对该内容进行证实,对其原创性、真实性、完整性、及时性不作任何保证。
3.文章转载时请保留本站内容来源地址,https://www.lu-xu.com/guonei/1754913.html